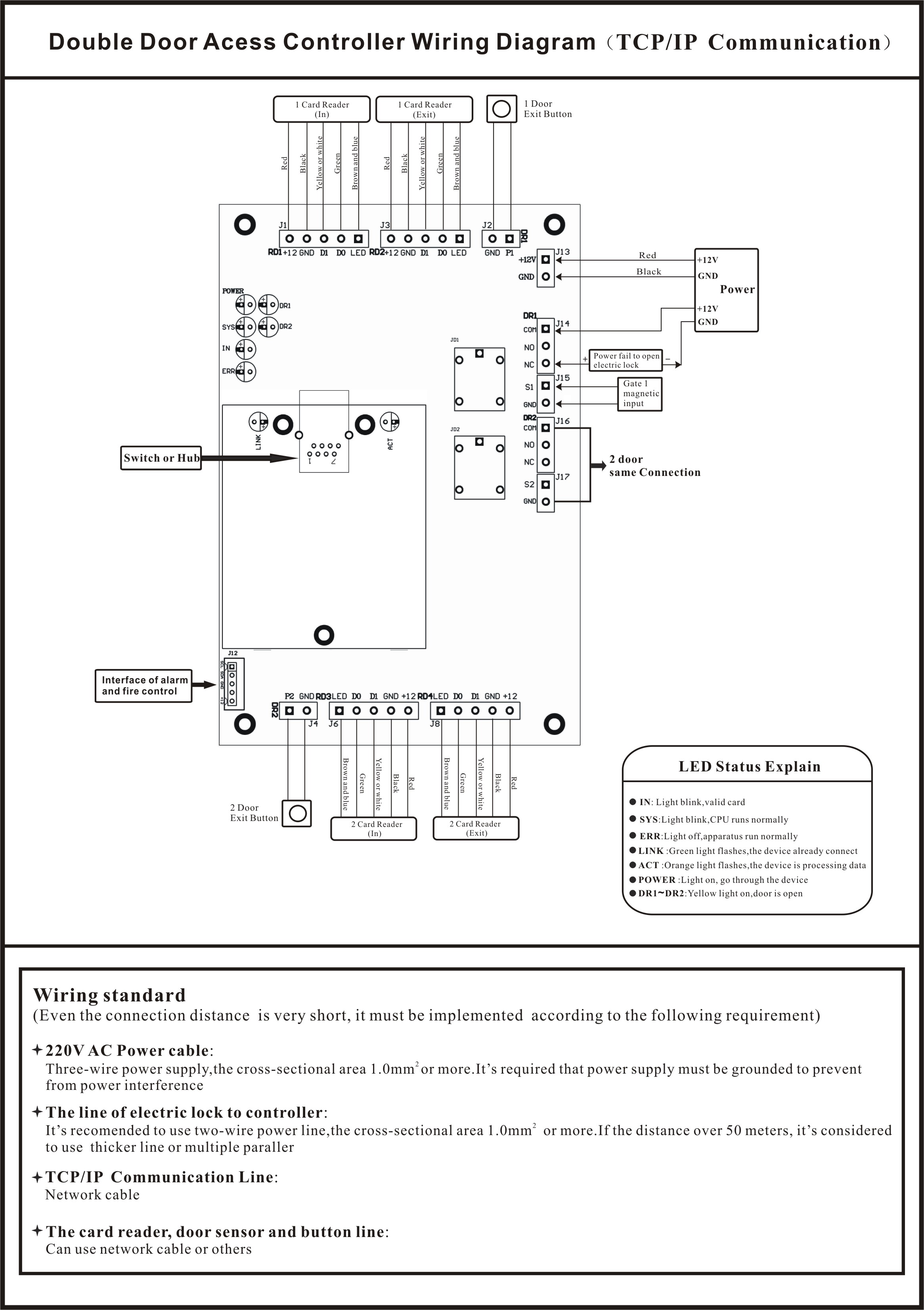
Casa > Control & Acesso Atendimento > acesso controler > 2 Porta Controlador controler porta dupla conectado com leitor de cartão PY-2000
Navegue categorias
Control & Acesso Atendimento
Porta Bloqueio do Sistema
Hotel Lock System
Access Control System Price
UHF rfid reader
Fire Alarm System
video door phone, alarm system
Contate-Nos
Shenzhen Proyu Technology Co. Ltd (Office)                        5 # 307 Jinfanghua No.2 Xinhe, Hebei, Bantian Street, Longgang District, Shenzhen 百... Contate agora
Certificações.
Certificações.

Investigação

Nome do Produto 2 Porta Controlador controler porta dupla conectado com leitor de cartão PY-2000
Gerente de Produto.Sunny Xiong (sales1.proyu@proyu-tech.com)
Sujeito (* Exigir )
Mensagem
Informações de contato
Contatos (* Exigir )
E-mail (* Exigir )
Empresa
verificar captcha